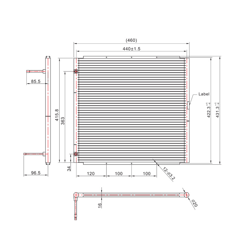
| 型号 | 芯体长度 | 芯体高度 | 扁管厚度 | 翅片片距 | 翅片高度 | 集流管外径 |
| SC-1200 | 460[mm] | 431.3[mm] | 1.1[mm] | 1.1[mm] | 8.1[mm] | 20[mm] |
| 18.11[in] | 16.98[in] | 23[in] | 23[FPI] | 0.32[in] | 0.79[in] |
| 型号 | 扁管高度 | 扁管数量 | 回路 | 内部容积 | 进口内径 | 出口内径 |
| SC-1200 | 1.3[mm] | 43 | 14/12/10/7 | ≈0.31[L] | 7.94[mm] | 6.35[mm] |
| 0.05[in] | ≈19[in3] | 5/16[in] | 1/4[in] |
边板安装
铝制微通道换热器在高温下存在热胀冷缩现象,支架安装等必须允许一定的公差范围。
性能参数
| 风速 | 换热性能 [KW/Btu/h×1000] | ||||||||
| [m/s] | [ft/min] | R410A | R134a | ||||||
| △ =10K △ =18°F |
△ =15K △ =27°F |
△ =2K △ =36°F |
△ =25K △ =45°F |
△ =10K △ =18°F |
△ =15K △ =27°F |
△ =2K △ =36°F |
△ =25K △ =45°F |
||
| 1 | 197 | 1.78/6.08 | 2.82/9.62 | 3.83/13.07 | 4.84/16.52 | 1.72/5.87 | 2.65/9.04 | 3.65/12.46 | 4.61/15.73 |
| 1.5 | 295 | 2.54/8.67 | 3.94/13.4 | 5.35/18.26 | 6.78/23.14 | 2.35/8.02 | 3.74/12.7 | 5.08/17.34 | 6.41/21.88 |
| 2 | 394 | 3.18/10.8 | 4.94/16.8 | 6.71/22.90 | 8.51/29.04 | 2.9/9.90 | 4.65/15.8 | 6.31/21.54 | 7.95/27.13 |
| 2.5 | 492 | 3.75/12.8 | 5.83/19.9 | 7.93/27.06 | 10.07/34.3 | 3.49/11.9 | 5.46/18.6 | 7.42/25.32 | 9.33/31.84 |
| 3 | 591 | 4.28/14.6 | 6.65/22.7 | 9.06/30.92 | 11.5/39.25 | 3.95/13.4 | 6.19/21.1 | 8.4/28.67 | 9.33/31.84 |
| 风速 | 换热性能 [KW/Btu/h×1000] | ||||||||
| [m/s] | [ft/min] | R404A | R407C | ||||||
| △ =10K △ =18°F |
△ =15K △ =27°F |
△ =2K △ =36°F |
△ =25K △ =45°F |
△ =10K △ =18°F |
△ =15K △ =27°F |
△ =2K △ =36°F |
△ =25K △ =45°F |
||
| 1 | 197 | 1.83/6.25 | 2.84/9.69 | 3.84/13.11 | 4.86/16.59 | 1.08/3.69 | 2.22/7.58 | 3.28/11.19 | 4.3/14.68 |
| 1.5 | 295 | 2.54/8.67 | 3.95/13.4 | 5.35/18.26 | 6.78/23.14 | 1.56/5.32 | 3.14/10.72 | 4.58/15.63 | 6.0/20.48 |
| 2 | 394 | 3.17/10.8 | 4.92/16.7 | 6.68/22.80 | 8.46/28.87 | 1.91/6.52 | 3.92/13.38 | 5.72/19.52 | 7.49/25.56 |
| 2.5 | 492 | 3.72/12.7 | 5.79/19.7 | 7.86/26.83 | 9.97/34.03 | 2.21/7.54 | 4.62/15.77 | 6.75/23.04 | 8.82/30.10 |
| 3 | 591 | 4.23/14.4 | 6.57/22.4 | 8.93/30.48 | 11.33/38.6 | 2.47/8.43 | 5.26/17.95 | 7.65/26.11 | 10.04/34.2 |
空气侧压降数据
| 风速 | 压降 | 风量 | |||
| [m/s] | [ft/min] | [Pa] |
[inch H2O] | [m3/h] |
[cfm] |
| 1 | 197 | 9.23 |
0.04 | 653.08 |
384.2 |
| 1.5 | 295 | 14.52 |
0.06 | 979.62 |
576.5 |
| 2 | 394 | 22.11 |
0.09 | 1306.16 |
768.3 |
| 2.5 | 492 | 29.50 |
0.12 | 1632.70 |
960.4 |
| 3 | 591 | 35.40 |
0.14 | 1959.24 |
1152.5 |


中文简体


查看更多>>
查看更多>>
查看更多>>
查看更多>>
查看更多>>
查看更多>>
查看更多>>
查看更多>>
查看更多>>
查看更多>>
查看更多>>





